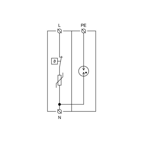
Svodiče rázového přepětí typu T2+T3 zajišťují vyrovnávání potenciálů a omezují spínací, indukované a zbytkové přepětí v sítích nn. Výrobky jsou složeny z varistorů s velkou svodovou schopností. V provedení 1+1 a 3+1 jsou navíc v kombinaci s bleskojistkou, která zajišťuje nulový průsakový proud vodičem PE. Instalují se na rozhraní zón LPZ 1 – LPZ 3 do podružných rozvaděčů a ovládacích skříní. Pokud výrobek obsahuje dvě svorky PE (resp. PEN), nesmí být použity jako můstek PE (PEN). Označení M specifikuje konstrukční provedení s výměnným modulem. Označení S specifikuje provedení s dálkovou signalizací. Instaluje se dle norem: ČSN EN 62305 ed. 2, ČSN 33 2000-5-534 ed. 2, ČSN CLC/TS 61643-12.
ZASLEPKA KRUHOVA SV. SEDA PG16 8816
10 Kč
Plastová trubka pevná FRÄNKISCHE FPKU-ES-F-UV 40mm černá 3m 22610040
296 KčSvodič přepětí SPD typ 2+3 HSA-275/1+1
2 152 Kč
Svodič přepětí SPD typ 2+3 HSA-275/1+1 zajistí vyrovnávání potenciálů a omezování přepětí v síti. Bezpečně chrání vaše zařízení před nárazovým přepětím.







