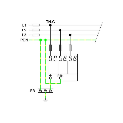
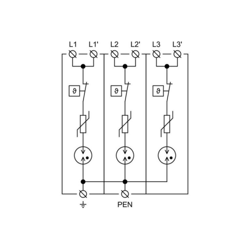
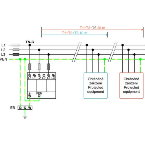
Bleskový proud 25 kA (10/350) dělá z Hakel HLSA25G-255/3+0 jistotu pro hlavní přívody i objekty s vyšší úrovní rizika. Kombinace typ 1 a 2 pokrývá vstupní i distribuční ochranu, ochranná úroveň 1,2 kV chrání citlivou elektroniku a montáž na DIN lištu 35 mm urychlí instalaci v rozvaděči. Specifikace svodiče přepětí Hakel HLSA25G-255/3+0 Tento kombinovaný svodič pro silnoproud je určen pro ochranu hlavních rozvaděčů na rozhraní zón LPZ podle ČSN. Vyniká schopností zvládat bleskový proud 25 kA v reálném impulsním tvaru 10/350 μs a díky třídě zkoušek typ 1 a 2 bezpečně pokryje jak primární, tak následnou úroveň ochrany. Pro napěťové dimenzování slouží jmenovité napětí AC 230 V a maximální trvalé napětí AC 255 V, což odpovídá běžným distribučním sítím a zajišťuje spolehlivý provoz bez nežádoucích zásahů. Konstrukce HLSA25G využívá energetickou koordinaci: nabízí energeticky koordinovaný ochranný účinek s koncovým stupněm, takže při správném návrhu se předchází přetížení následných ochran. K tomu přidává měrnou energii 156 kJ/Ohm, která vypovídá o robustní schopnosti absorbovat impulzní energii. Svodič se montuje snadno do rozvaděče díky způsobu montáže na DIN lištu 35 mm a kompaktní konstrukční velikosti 6 TE, takže zapadne i do přístrojově hustých polí. Pro správné připojení nabízí mechanicky odolné svorky: lze osadit až 35 mm² u tuhých jednodrátových či vícedrátových vodičů a až 25 mm² u pružných jemných lanek. Přehled o stavu poskytuje optická signalizace na přístroji, která umožňuje rychlou vizuální kontrolu po zásahu přepětí. Pro bezpečné rozdělení energie při vysokých impulzech slouží vyfukovací technologie, která zvyšuje odolnost vůči dynamickým účinkům bleskových proudů. Zařazení do sítě je přímočaré: zařízení je vhodné pro TN-C soustavy, kde efektivně pracuje v konfiguraci počet pólů 3 bez průsaků do ochranného vodiče díky kombinaci varistorů s bleskojistkou. Shrnutí a doporučení produktu Pokud hledáte jistotu pro hlavní přívod, tento svodič je přesně ta volba, která se vyplatí už po prvním větším přepěťovém impulzu. Využijete ho při modernizaci rozvaděče i při výstavbě nových objektů, kde chcete mít ochranu vyřešenou komplexně a bez kompromisů. Pro ucelené řešení doporučujeme doplnit ochranu o další stupně v podružných rozvaděčích a držet se návrhu podle zón LPZ. Prohlédněte si naši nabídku v kategorii Svodiče přepětí, kde snadno vyberete vhodné stupně následné ochrany i kompatibilní příslušenství. O výrobci Ryze česká firma Hakel byla založena r. 1994 v Hradci Králové. Dnes se řadí k již tradičním výrobcům kvalitních svodičů přepětí a hlídačů izolačního stavu. Jejich produkty chrání před přepětím různé technologie a spotřebiče jak v bytové i domovní výstavbě, tak i v průmyslu (ropovody, plynovody, elektrárny, železnice, fotovoltaika). Během toho se firma věnuje také výrobě izolačního stavu pro izolované IT sítě a jejich monitorování např. v nemocnicích. Produkty přepěťové ochrany a svodiče přepětí od firmy Hakel naleznete i u nás v K&V ELEKTRO.
Držák jímače a trubky nerez+plast TREMIS DJDe 60 N VN2335
38 Kč
Skříň oceloplechová NOARK MHS 50 40 15 s montážním plechem IP66 500x400x150mm 110568
2 962 KčSvodič přepětí Hakel HLSA25G-255/3+0
8 598 Kč
Bleskový proud 25 k. A (10/350) dělá z Hakel HLSA25. G-255/3+0 jistotu pro hlavní přívody i objekty s vyšší úrovní rizika. Kombinace typ 1 a 2 pokrývá vstupní i distribuční ochranu, ochranná úroveň 1,2 k. V chrání citlivou…









