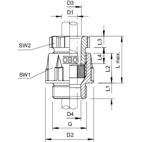
Standardní kabelová vývodka, tvar A dle DIN 46320 s jednoduchým těsnicím kroužkem z NR/SBR. S metrickým připojovacím závitem dle IEC 423. Stupeň krytí: s těsnicím kroužkem na připojovacím závitu IP 65, bez těsnicího kroužku IP 54.
Jistič EATON PL7-B10/3 10A 263387
599 Kč
Schneider Electric Harmony otočný přepínač se zámkem 3-polohy 2NO XB5AG03
1 229 KčKabelová vývodka OBO 106 M 25 PS světle šedá 2035340
15 Kč
Standardní kabelová vývodka OBO 106 M 25 PS světle šedá pro bezpečnou elektroinstalaci.








